Zhejiang Yonggui Electric Equipment Co., Ltd.

Metal Housing Connector-YG1033A

  • This series of connectors are double-core shielded connectors with small size, high power, simple structure and convenient operation;

  • This product is a high-voltage and high-current connector, mainly used in new energy vehicle electronic control and battery energy systems;

  • Protection level: Plugs and Receptacles meet IPXXB, and after normal insertion and locking, IP67 & IP6K9K;

  • The plug connector shell is made of aluminum alloy passivation process, 360° shielding, and meets high salt spray resistance requirements;

  • Some parts of the plug connector need to be ordered separately according to the wiring specifications.

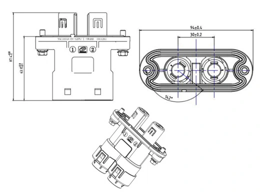
The Details of Metal Shell Connector-1033A

The Details of Metal Shell Connector-1033A
Plug dimensions (90°)
The Details of Metal Shell Connector-1033A
Plug dimensions (bent 120° )
The Details of Metal Shell Connector-1033A
Plug dimensions ( 90° bend )
The Details of Metal Shell Connector-1033A

Receptacle dimensions

The Details of Metal Shell Connector-1033A

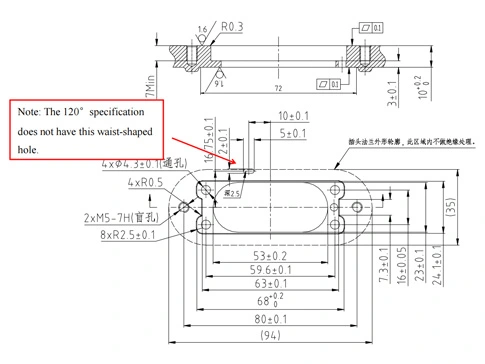
Installation dimensions

The Details of Metal Shell Connector-1033A

Fool-proof key position indication and size

Specifications of Metal Shell Connector-1033A

Material model ( Note: "*" indicates the main recommended model )


No.90° plug assembly model120° plug assembly model90° plug assembly modelReceptacle assembly modelFoolproof key position
1YGC1033A-EV-S2P/Ⅰ *YGC1033A-EV-S2PW/ⅠYGC1033D-EV-S2P/IYGC1033A-EV-P2R/Ⅰ
2YGC1033A-EV-S2PN/ⅠYGC1033A-EV-S2PWN/Ⅰ/YGC1033A-EV-P2RN/Ⅰ *
YGC1033A-EV-S2PN/Ⅰ-YW960


180° plug accessories (180°outlet)
Accessory
code
Adapter cable
(Cable outer diameter)
Parts NamePart NumberNumber of
packages
A35mm²shielded cable
(φ14.6~φ15.4)
YG1033A jack assembly Φ
10-35mm²-silver
1130206016072
YG1033A plug shield jacket1140226003122
YG1033A plug shield inner sleeve-351140226003222
YG1033-2 Sealing wire1140505015732
YG1033A plug tail cover-351140698041802
B35mm² LV216
shielded cable
(φ14.4 -0.6 mm)
YG1033A Plug shield jacket-50 (LV216)1140226003332
YG1033A plug shield inner sleeve-35
(LV216)
1140226003452
YG1033A Jack assembly Φ10-35mm²
-Silver
1130206016072
YG1033A-1 Sealing wire body (216)1140505019262
Φ14.5 tail cover (orange)1140698057932
C50mm² shielded cable
(φ17.5±0.5mm)
YG1033A jack assembly Φ
10-50mm²-silver
1130206016082
YG1033A plug shield jacket1140226003122
YG1033A plug shield inner sleeve-501140226003232
YG1033 plug seal body-50mm²1140505014102
YG1033A plug tail cover-501140698041812
D50mm²LV216
Shielded cable
(φ15.8 -0.6 mm)
501030101368
YG1033A jack assembly Φ
10-50mm²-silver
1130206016082
YG1033A Plug shield jacket-50 (LV216)1140226003332
YG1033A plug shield inner sleeve-50
(LV216)
1140226003322
YG1033A plug seal body-50mm² (LV216)1140505014112
YG1033A plug tail cover-50 (LV216)1140698042872


120° plug accessories (120°outlet)
Accessory
code
Adapter cable
(Cable outer diameter)
Parts NamePart NumberNumber of
packages
F50mm² LV216
shielded cable
(φ15.8 -0.6 mm)
(501030101368)
YG1033A Adapter Terminal 50mm²1140201008462
YG1033A Plug shield jacket-50 (LV216)1140226003332
YG1033A plug shield inner sleeve-50
(LV216)
1140226003322
YG1033A plug tail assembly1139900012722
YG1033A Cover assembly1130116010012
Cross recessed hexagon head
combination screw GB/T 9074.13 M6×12
5010101005732
90° plug accessories (90°outlet)
H50mm² unshielded
cable
φ13.2 (0/-0.8) mm
YGC1033D-EV-S2P/I plug1110004046451
Receptacle accessories
No.RemarkParts NamePart NumberNumber of
packages
1OptionalYG1033A Receptacle dust cover1140698048151


Contact Yonggui Electric for Connectors
Contact Yonggui Electric for Connectors
We Can Provide
  • Customized Solutions

    Tailoring connectors to your unique needs.

  • Expert Technical Support

    Provide systemic solutions

  • Quick Response

    Respond to needs within 12 hours

Blog & News
CIPPE 2025, See you there!
Yonggui Electric is pleased to announce our participation in the 25th China International Petroleum & Petrochemical Technology and Equipment Exhibition (CIPPE 2025), a premier global event for the...
Read More
Explore Yonggui Electric's Comprehensive Contact Terminal Series
Discover our wide range of high-performance contact terminals designed for diverse industries, including rail transit, new energy, communications, and more. From precision terminals for high-current a...
Read More